電動球閥

電動不銹鋼高平臺球閥Q941F-16P
產品簡介
News Center
新聞中心產品特性:
1.流體阻力小,球閥是所有閥類中流體阻力較小的一種。即使是縮徑球閥,其流體阻力也相當小。
2.止推軸軸承減小閥桿摩擦力矩,可使閥桿長期操作平衡靈活。
3.閥座密封性能好,采用聚四氟乙烯等材料制成的密封圈,結構易于密封,而且球閥的密封能力隨著介質壓力的增大而增大。
4.閥桿密封可靠,由于閥桿只作旋轉運動而不做升降運動,閥桿的填料密封不易破壞,且密封能力隨介質的壓力增設而增大。
5.由于聚四氟乙烯等材料具有良好的自潤滑性,與球體的摩擦損失小,球閥的使用壽命更長。
6.下裝式閥桿和閥桿頭部凸階防止閥桿噴出,如火災造成閥桿密封破壞,凸階與閥體間還可形成金屬接觸,確保閥桿密封。
Q941F-16P電動法蘭球閥主要零件材料:

Q941F-16P電動法蘭球閥主要性能參數:

Q941F-16P電動法蘭球閥執(zhí)行標準:

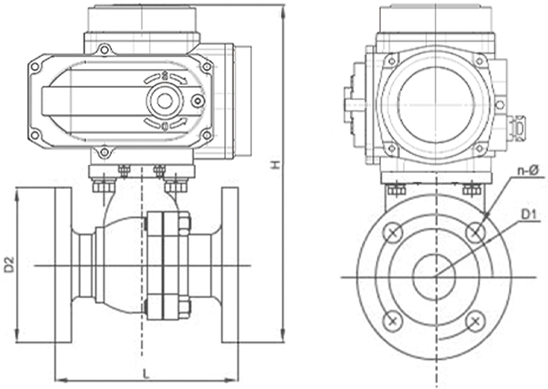
Q941F-16P電動法蘭球閥結構圖:

Q941F-16P電動法蘭球閥主要外形連接尺寸:

在線留言